Циклон ЦН-15-900-4СП в Пензе
характеристики
товара
оборудование
и гарантии
Технические характеристики циклона ЦН-15-900-4СП
Промышленный циклон ЦН-15-900-4СП в Пензе
Циклон ЦН 15 900 4СП предназначен для сухой очистки воздуха и газов от взвешенных частиц сухой пыли выделяющихся при сушке, обжиге, агломерации, а также в различных помольных и дробильных установках, при транспортировании сыпучих материалов, а также летучей золы при сжигании топлива. Циклон применяется также для аспирации воздуха в различных отраслях промышленности - черной и цветной металлургии, химической, нефтяной и машиностроительной промышленности, промышленности строительных материалов, энергетике и т.д.
Циклон ЦН-15-900х4СП является пылеуловителем, который имеет достаточно простую конструкцию, не требует расходных материалов, а потому их эксплуатация достаточно дешева. Простота конструкции является причиной невысокой цены . Важно отметить, что циклон ЦН эффективно использовать для безотходного производства, так как некоторые виды пыли, что собраны этим пылеуловителем возможно подвергнуть переработке.
Принцип действия циклона
Принцип действия циклона ЦН-15-900 4СП следующий: поток запылённого газа вводится в циклон через входной патрубок тангенциально в верхней части. В аппарате формируется вращающийся поток газа, направленный вниз, к конической части аппарата. Вследствие силы инерции (центробежной силы) частицы пыли выносятся из потока и оседают на стенках аппарата, затем захватываются вторичным потоком и попадают в нижнюю часть, через выпускное отверстие в бункер для сбора пыли. Очищенный от пыли газовый поток затем двигается снизу вверх и выводится из циклона через соосную выхлопную трубу.
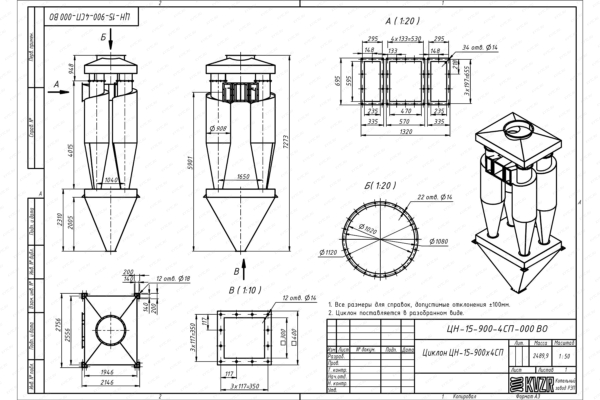
Конструкция циклона ЦН-15-900-4СП
Конструкция циклона ЦН 15 900-4СП рассчитана на температуру до 4000 °C и разряжение (давление) 5(500) кПа (кгс/м2). Циклоны изготавливаются как левого, так и правого исполнения. Они могут устанавливаться как на всасывающей линии вентилятора, так и на нагнетании. В зависимости от этого одиночный циклон комплектуется с улиткой на выходе очищенного воздуха или зонтом. При очистке воздуха от абразивной пыли, вызывающей износ крыльчаток вентилятора, циклоны рекомендуется устанавливать перед вентилятором.
В зависимости от пропускной способности по воздуху (газу) и условий применения циклоны ЦН-15-900х4СП изготавливаются одиночного или группового исполнения - из двух, трех, четырех, шести и восьми циклонов. Групповые циклоны могут быть с камерой очищенного воздуха в виде "улитки" или в виде сборника, а одиночные - только с улиткой.
В группе циклонов патрубки с выходом очищенного воздуха могут объединяться сборным коллектором с выходом воздуха вертикально и системой улиток каждого циклона, объединенных общим фланцем.
Обозначение циклона ЦН-15-900-4СП
- ЦН - циклон НИИОгаза;
- 15 - угол наклона входного патрубка относительно горизонтали (град.);
- П, Л - "Правое" ("Левое") вращение газа;
- число после тире (300) - внутренний диаметр цилиндрической части циклона (мм);
- следующая цифра (2) - количество циклонов в группе;
- С - с камерой очищенного воздуха в виде сборника";
- П - пирамидальная форма бункера.
Циклоны ЦН-15, в зависимости от требований предъявляемых к очистке газа, могут иметь либо самостоятельное применение, либо использоваться в качестве агрегатов первой или второй ступеней очистки, в сочетании с другими газоочистными агрегатами.
Технические характеристики циклона ЦН-15-900-4СП
- Массовая концентрация пыли в очищаемом газе, г/м3:
для слабослипающихся пылей до 1000
для среднеслипающихся пылей 250
- Температура очищаемого газа, 0 °C до 400
- Давление, кПа до 5
- Коэффициент гидравлического сопротивления циклонов:
для одиночного исполнения 147
для группового исполнения с "улиткой" 175
В технической характеристике циклона ЦН приведены значения производительности, отнесенные к скорости в цилиндрической части циклона V=2,5 и 4,0 м/с. В обычных условиях оптимальной считается скорость 4,0 м/с. Скорость 2,5 м/с рекомендуется принимать при работе с абразивной пылью.
Циклон ЦН может изготавливаться во взрывобезопасном исполнении (конструктивно предусмотрены взрывные клапана, и бункер имеет минимальные размеры во избежание накопления взрывоопасной пыли).
Материал для изготовления циклона ЦН-15-900 4СП - углеродистая сталь при температуре окружающей среды до 40 °С. При температуре ниже -40 °С применяют низколигированные стали.
Циклоны ЦН-15-900-4СП поставляются в разобранном виде.
Габаритные и присоединительные размеры циклона ЦН 15-900-4СП
| Наименование | L | B | H | H1 | H2 | H3 | D | D1 | E |
| Циклон ЦН 15-900-4СП | 1904 | 2324 | 7130 | 4408 | - | 1560 | 900 | 530 | 1700 |
| Наименование | F | a | b | L1 | L2 |
B |
B1 |
Масса, кг |
| Циклон ЦН 15-900-4СП | 2150 | 994 | 604 | 1070 | 1047 | 300 | 440 | 3330 |
Купить циклон ЦН-15-900-4СП в Пензе
Для того чтобы купить циклон ЦН-15-900-4СП в Пензе вы можете сделать заявку в отдел сбыта по телефону 8-800-700-06-43, либо оформить заказ онлайн. Инженеры-консультанты дадут консультацию и рассчитают стоимость доставки. Транспортирование может осуществляться автотранспортом, ж/д полувагонами и речным транспортом.
Сертификаты и гарантии циклона ЦН-15-900-4СП