Конструкция и преимущества парогенератора STEAMEXPERT
Промышленный парогенератор 1500 кг пара в час 115 С на твердом топливе марки STEAMEXPERT – выполняется напольной горизонтальной жаротрубной конструкцией.
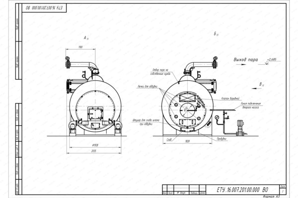
Котельный блок жаротрубный комбинированный, состоит из наружной обечайки и внутренней обечайки. Пространство между обечайками заполняется водой. Передняя часть внутренней обечайки выполняет функции жаровой трубы – топка котла с колосниковой решеткой. За топкой выполнен водотрубный конвективный пучок. В верхней части котла устанавливается паросборная камера, в которой собирается и сепарируется пар. На паросборной камере устанавливаются предохранительные клапаны, арматура и контрольно-измерительные приборы.Такое устройство принципиально отличает твердотопливный парогенератор STEAMEXPERT-1,5-0,07-115 от парогенераторов марки КП, КПр.
Благодаря большому объему нагреваемой в котле воды и зеркалу испарения, жаротрубный твердотопливный парогенератор 1500 кг с температурой пара 115 С имеет следующие преимущества:
- потребитель получает сухой пар. Сепарационные устройства препятствуют выносу капель воды с зеркала испарения и капель конденсата образующихся на внутренних стенках паропроводов генератора;
- независимо от нагрузки происходит бесперебойная подача насыщенного пара;
- котел парогенератор на угле 1500 кг в часПенза не боится подпитки даже холодной водой;
- тепловые расширения металла минимальны поэтому паровой генератор обладает высокой надежностью и долговечностью.
Для удобства обслуживания в процессе эксплуатации в конструкции комбинированного котла предусмотрены следующие технические решения:
- наружные сажистые отложения очищаются системой обдувки конвективного пакета паром прямо в процессе работы без остановки котла. Для механического удаления сажи, в задней части газоплотный цилиндрический угольный парогенератор КП 1500 кг час имеет люк для очистки.
- в задней части котла устанавливается продувочный штуцер Ду 25 для удаления образующегося в котле шлама.
- на паросборной камере и водомерной колонке установлен вентиль Ду 15 для спуска воздуха при подготовке к работе.
Процесс горения современного парогенератора на твердом топливе на 1500 кг пара обеспечивается уравновешенной тягой. Воздух в топочную камеру подается вентилятором поддува, подключаемому к отверстию в фронтовой плите. За котлом устанавливается дымосос. Если у вас высокие требования к экологичности выбросов, производственный угольный парогенератор пар 1500 может работать с золоуловителем.
Производственный стационарный жаротрубный парогенератор Е 1.5 0.07 российского производства подпитывается из питательного бака через электронасос, соединительную арматуру.
Для подпитки желательно устанавливать два насоса – один рабочий и второй резервный.
В передней части жаровой трубы в верхней части установлена легкоплавкая пробка – предохранительное устройство прямого действия. В случае понижения уровня воды в котле ниже критического (аварийного) пробка расплавляется, и струя пара, проникая в топочную часть котла, гасит горящее топливо.
На боковой части корпуса устанавливается водомерная колонка (датчик уровней воды) и два указателя уровня, связанная с паровым и водяным пространством парогенераторной установки соединительными трубками.
Применение парогенераторов
Наши российские жаротрубные парогенераторы низкого давления 0.07 производительностью 1.5 т применяют при производстве ЖБИ изделий, для изготовления пеноблоков, химические и фармацевтические предприятия, строительные организации, бетонные заводы, больницы, общественные заведения, воинские части, автоколонны, ДСУ, бани, предприятия нефтегазовой, кожевенной, перерабатывающей промышленности. В пищевой промышленности парогенераторные установки используют для разморозки, подогрева, пастеризации, стерилизации тары такие предприятия, как спиртзаводы, молочные заводы, птицефабрики для тепловой обработки кормов и ошпаривания птиц, мясокомбинаты и консервные заводы, хлебозаводы, мелькомбинаты, маслосырзаводы, свинокомплексы.
Монтаж котла
Стальной горизонтальный не поднадзорный твердотопливный парогенератор steam 1500 кг в час для производства пара поставляется блоками максимальной заводской готовности. Котельный блок устанавливается в котельной на специально подготовленную ровную поверхность. Котельный блок подсоединяется по воде, устанавливается запорная арматура на подводящем трубопроводе и отводящем паропроводе, устанавливаются предохранительные клапаны и контрольно-измерительные приборы. Для угольных котлоагрегатов подсоединяется вентилятор, устанавливается дымосос и золоуловитель. Подключается котельная автоматика. Типовые монтажные схемы вы можете изучить в разделе схемы подключения данного товара.
Чтобы перевести парогенератор КПр на угле теплопроизводительность 1500 кг в час в водогрейный режим достаточно изменить схему подключения и установить другие предохранительные клапана.
Купить парогенератор 1500 кг в час 115 С на твердом топливе
Для того чтобы купить промышленный твердотопливный парогенератор 1500 кг пара в час, давлением 0.07 МПа и температурой 115 С в Пензе вы можете сделать заявку в отдел сбыта по телефону 8-800-1500-06-43, либо оформить заявку через сайт или почту. Менеджеры дадут консультацию по подбору вспомогательного оборудования для выбранных вами моделей и рассчитают стоимость доставки. Доставка до вашего населенного пункта может осуществляться авто, железнодорожным и речным транспортом.
Если вы затрудняетесь с выбором нужной паропроизводительности, мы можем осуществить подбор, для этого нужно заполнить опросный лист или описать ваш техпроцесс.